Сканеры из магазина lasers.org.ru - строим проектор.

Тема в разделе 'Строящиеся проекты', создана пользователем Pavel-93RUS, 11 мар 2011.

  1. KoSS_89

    KoSS_89 Пользователь

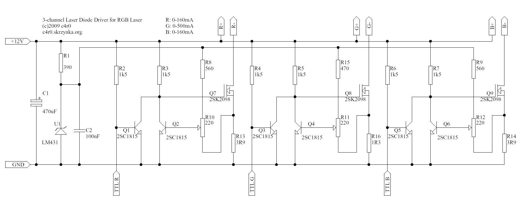
    Да не спеши :) Спешка нужна в двух вещах (при ловле блох и когда чужую жену ...) Прийдет набор, замеришь семь раз и постараешся один раз отрезать:) На счет драйвера, сам незнаю но пока останавливаюсь на етом RGB Laser Diode Driver.JPG
     
  2. Pavel-93RUS

    Pavel-93RUS Пользователь

    Согласен, просто хотел пока набор придет, подготовить всё остальное :) А этот драйвер пойдет для сопряжения с комплектом, и звуковушкой?
     
  3. Ryazanec

    Ryazanec Модератор Staff Member

    у меня самодельные, какой вопрос такой и ответ, вы не утчнили что именн итать будете, у меня к примеру 5 диодов запитано.
     
  4. Pavel-93RUS

    Pavel-93RUS Пользователь

    Сорри. Питать собираюсь: "зелень" от указки-ручки, мощность где-то 50-60 мВт, синий 445-й от проектора, красный от DWD-RW предположительно 20-22х. (каждый цвет по одному диоду)
     
  5. Pavel-93RUS

    Pavel-93RUS Пользователь

    О, спасибо за переезд темы на новое место жительства:) Вообщем всё, оплатил я комплект, отступать некуда :)
     
  6. Ryazanec

    Ryazanec Модератор Staff Member

    Можете делать пока драйвер и собирать лучи в один. Высоту сказать не могу - у меня не такие гальванометры, да и не заморачивался я с этим - собрал всё на одном листе аллюминия толщиной 3 мм и размерами 15х20 см, а высоту отрегулирую стойками на которые закреплю эту пластину. под ней просверлю отверстия для вентилляции всего устройства.
     
  7. Pavel-93RUS

    Pavel-93RUS Пользователь

    По моему у меня очередной конфуз намечается.... :( Курю англоязычный мануал от комплекта: http://www.laserphoto.org/en/pic/digi/20085510358689.pdf И понимаю, что встрял, видимо, т.к. именно на заказанном мной не вижу платы ILDA Switch. Получается, я не смогу прикрутить к нему USB-ILDA контроллер? :(
     
  8. Artemka

    Artemka Администратор Staff Member

    Сможешь. напрямую.
     
  9. Pavel-93RUS

    Pavel-93RUS Пользователь

    Уфф... чудненько! :) А я уж распереживался! Ибо решил не париться со звуковушкой, а заказать контроллер:)
     
  10. Pavel-93RUS

    Pavel-93RUS Пользователь

    Итак, начало положено. Сегдня собрал красный модуль. Радиатор от комповского БП, линза от красной указки. Но что-то не нравится мне, как он светит. Точка вроде довольно тоненькая, но её пересекает тонкая полоска. Плюс ко всему, вокруг точки светится не яркий круг. Луч визуально в дыму очень тонкий. От чего это может быть, и критично ли это для проектора?
    000_0006.JPG 000_0008.JPG 000_0009.JPG 000_0013.JPG
     
  11. mobilka

    mobilka Пользователь

    радиатор маловат конечно будет. а линзу протереть нужно
     
  12. Ryazanec

    Ryazanec Модератор Staff Member

    полоска это особенность свечения красного лазерного диода.
    Мусор вокруг точки это пыль.
     
  13. Pavel-93RUS

    Pavel-93RUS Пользователь

    А чем её можно протереть? Я протирал её гигиенической салфеткой для лица, перед тем, как поставить. Но у меня такое ощущение, что я её поцарапал иголкой, когда выковыривал из коллиматора от указки, это может быть причиной?

    А какой радиатор тогда нужен? Мне почему-то казалось, что этого будет достаточно, плюс планируется обдув... Мне к сожалению пока нечем его запитать, завтра соберу регулируемый БП для эксперементов. Кстати, сколько ток можно дать? Диод предположительно от 20-22 х привода.
     
  14. B.E.S.

    B.E.S. Модератор Staff Member

    Как раз чтобы небыло этой полоски, на старых линзах aixiz ставили такие диафрагмы перед линзой
    [​IMG]
    (на фото ее чуть поковыряли,другого не нашел...)
    Но поскольку в aixiz лепят мощные ЛД, пластик оплавлялся, кто-то писал что портились ЛД. Из-за этого диафрагму убрали(правда оставили широкую шайбу,которая блокирует большинство лишнего). Как вариант- сделай так...
    Мусор- скорее всего из-за поцарапанной\грязной линзы. Тут вариантов решения немного- поменять линзу(ну или почистить,если ты ее все-таки не поцарапал :) ),или отсечь мусор такой же диафрагмой,только уже после линзы. А радиатор нормальный.
     
  15. mobilka

    mobilka Пользователь

    радиатор можно на 5 частей порезать. 4 отнести на металлалом сдать а на 1 сделать радиатор
     
  16. Pavel-93RUS

    Pavel-93RUS Пользователь

    Вообщем не знаю, прав я или нет, но попытался решить проблему, приклеев на выходе луча кусочек текстолита, с просверленным в нем отверстием 1 мм. (сорри за качество фото, фоткал китайской мобилкой)
    IMG0121A.jpg
    Результат: полоса и круг исчезли, точка визуально такая-же яркая. Линзу тщательно протер с обеих сторон, но ореол вокруг точки всё-же присутствует. Но как мне кажется, для использования в проекторе это не критично...

    Не совсем понял...
     
  17. mobilka

    mobilka Пользователь

    я к тому что радиатор ваш неадекватно большой для красного 200от миллиамперного диода
     
  18. B.E.S.

    B.E.S. Модератор Staff Member

    ну он может работать и несколько часов. Так что нормально.
     
  19. Pavel-93RUS

    Pavel-93RUS Пользователь

    Ах, вот в чем дело:) Я собираю стационар, в довольно большом корпусе, так что за компактностью особо не гонюсь. К тому же, соглашусь с B.E.S. , работать аппарат будет по нескольку часов подряд, так что хуже не будет. Кстати, такой же диод прорабртал в спирографе около 2 месяцев практически вообще без охлаждения при токе около 240 мА. В качестве радиатора кусочек металла, в котором он находился в приводе, и был извлечен с ним. Работал по 3-4 часа практически не отключаясь. Живой по сей день;)

    З.Ы. погонял модуль в темноте в задымленном зале, вроде доволен. Луч очень тонкий и яркий, даже от 2-х полудохлых батареек ААА. :)
     
  20. KoSS_89

    KoSS_89 Пользователь

    Саветую сразу собрать драйвер на нужное кол.во ЛД (RGB) и питать диод от него, а не от батареек, убьёте диод жалко будет. Чаще всего диоды мрут от случайное, нелепой ошибки или бональной спешки.
     

Поделиться этой страницей